RJ40-KFKF
12.03.RJ-0010
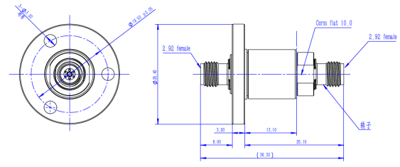
2.92mm型旋转关节
同轴旋转关节作为一种高性能的传动装置,是利用同心轴线旋转实现传动的装置,具有结构简单、传动平稳、承载能力强等优势,在多个领域展现出广泛的应用前景,成为推动技术进步和产业升级的重要力量。


| Body | Stainless Steel/Passivation |
| Contact pin | Berrylium Copper/ Gold/10μ" |
| Imsulator | TPX/PTFE |
| Others Metal Parts | Stainless Steel/Passivation |
| Interface type | 2.92-f (50 Ω) |
| Frequency range | DC to 40 GHz |
| Peak power capability, max. | 500 W* @1 GHz |
| Average power capability, max. | 50 W @DC to 2 GHz |
| 20 W @2 to 4 GHz | |
| 5 W @4 to 10 GHz | |
| 2 W @10 to 18 GHz | |
| 1 W @18 to 40 GHz | |
| VSWR, max. | 1.15 @DC to 10 GHz |
| 1.25 @10 to 18 GHz | |
| 1.30 @18 to 26.5 GHz | |
| 1.50 @26.5 to 40 GHz | |
| VSWR variation over rotation, max. | 0.1 |
| Insertion loss, max. | 0.5dB @DC to 18GHz |
| 1.0dB @18 to 26.5 GHz | |
| 1.2dB @26.5 to 40 GHz | |
Insertion loss variation over rotation, max. | 0.1 dB |
| Rotating speed, max. | 500 rpm |
| Life, min. | 5 x 106 revolutions |
| Starting torque, max. | 0.5 Ncm @ 20°C |
| Torque during rotation, max. | 0.5 Ncm @ 20°C |
| Axial load on interface, max. | ±1 N |
| Radial load on interface, max. | ±1 N |
| Case material | copper alloy |
| Case surface finish | Partially silver plated |
| Weight, approx. | 20 g |

静态驻波
S11 1.30
S22 1.30

S11 1.37
S22 1.32

感谢您对东广通信的关注及支持!
电话:021-55897698
邮箱:sales@eastample.com
网址:www.eastample.com
点击此行 查看往期
[超柔稳相电缆组件] JA360-35M35M-2M电缆组件
¥650.00¥0.00
¥1725.00¥0.00
¥330.00¥0.00
¥200.00¥0.00