代码:
12.03.RJ-0011
规格:
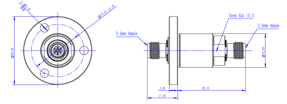
RJ30-35F35F
3.5mm母对母同轴旋转关节是一种高性能的传动装置,其外导体内径为3.5mm,特性阻抗为50Ω,连接机构采用1/4-36UNS-2英制螺纹。不仅具有较宽的频率范围和较低的插入损耗,还具备较高的功率容量和稳定的电气性能。


我司自研推出新型3.5mm型旋转关节,新的旋转关节保持了圆形法兰安装结构,优化了驻波和插损,相位波动<1°,旋转寿命达百万次。实现完全的国产化替代。在现代通信技术中,同轴旋转关节作为一种关键的连接器件,广泛应用于雷达,应急通讯指挥系统和卫星通讯系统、航空航天、军事通信以及工业控制等多个领域,我司品类以其独特的性能优势,达到和超过行业先进水平,在高频信号传输中扮演着重要角色。
| 接口类型 Interface type | 3.5mm-f (50) |
| 频率范围 Frequency range | DC to 26.5 GHz |
| 最大峰值功率能力 Peak power capability, max. | 500 W* @ 1 GHz |
| 最大平均功率能力 Average power capability, max. | 50 W @ DC to 2 GHz |
| 20 W @ 2 to 4 GHz | |
| 5 W @ 4 to 10 GHz | |
| 2 W @ 10 to 26.5 GHz | |
| 驻波最大值 VSWR, max. | 1.15 @ DC to 10 GHz |
| 1.25 @ 10 to 18 GHz | |
| 1.40 @ 18 to 26.5 GHz | |
| 驻波在旋转过程中的最大变化 VSWR variation over rotation,max. | 0.1 |
| 最大插入损耗 Insertion loss, max. | 0.5 dB @ DC to 18 GHz |
| 1.0 dB @ 18 to 26.5 GHz | |
| 旋转时插入损耗变化最大值 Insertion loss variation over rotation, max. | 0.1 dB |
| 最大旋转相位变化 Phase variation over rotation, max. | 1 deg. |
| 最大转速 Rotating speed, max. | 500 rpm |
| 寿命 Life, min. | 5 x 106 revolutions |
| 最大起动扭矩 Starting torque, max. | 0.5 Ncm @ 20°C |
| 旋转时的最大扭矩 Torque during rotation, max. | 0.5 Ncm @ 20°C |
| 接口上的最大轴向载荷 Axial load on interface, max. | ±1 N |
| 接口上的最大径向载荷 Radial load on interface, max. | ±1 N |
| 外壳材料 Case material | 铜合金 copper alloy |
| 外壳表面光洁度 Case surface finish | 部分镀银 Partially silver plated |
| 重量 Weight, approx. | 20 g |
| 主体 Body | 不锈钢/钝化 Stainless Steel/Passivation |
| 接触销 Contact pin | 铍铜/镀金 Berrylium Copper/ Gold |
| 绝缘体 Imsulator | TPX/PTFE |
| 其他金属部件 Others Metal Parts | 不锈钢/钝化 Stainless Steel/ Passivation |
静态驻波
S11 1.24
S22 1.22

静态驻波
S11 1.25
S22 1.22

技术优势
应用场景
● 雷达系统:
在雷达天线系统中,微波旋转关节是保证天线正常工作的关键部件。在天线360°不停旋转的情况下,该旋转关节可将微波信号从发射机传输到天线,或从天线传输给接收机,实现方位和俯仰的搜索。
● 机载光电吊舱:
在机载光电吊舱系统中,高清相机、红外相机等在360°旋转过程中采集到的高速图像视频信号通常通过微波旋转关节传送到接收机中进行观测和存储。该旋转关节能够满足这一需求,确保信号的连续传输。
● 通信基站:
在通信基站中,由于天线的频繁转动和信号传输的需求,该旋转关节被广泛应用于天线与基站之间的信号连接。
● 工业控制:
在工业自动化和机器人控制系统中,该旋转关节同样可用于连接旋转部件与控制系统之间的信号传输,实现精确的远程控制和监测。
感谢您对东广通信的关注及支持!
电话:021-55897698
邮箱:sales@eastample.com
网址:www.eastample.com
点击此行 查看往期
[超柔稳相电缆组件] JA360-35M35M-2M电缆组件
¥650.00¥0.00
¥1725.00¥0.00
¥330.00¥0.00
¥200.00¥0.00